Hardwareplanung
Mit langjähriger Erfahrung in der Zement- und Baustoffindustrie unterstützen unsere Hardwareplaner bereichsübergreifend die erfolgreiche Umsetzung Ihrer Projekte. Wir setzen auf modernste Komponenten und planen individuell nach Ihren Vorgaben und Werksnormen. Im Hardware Engineering realisieren wir elektrotechnische Konstruktion und Planung für Automatisierungs-, Mess-, Steuerungs- und Regelungstechnik. Dabei nutzen wir moderne CAE-Systeme wie EPLAN Electric P8, um präzise, normgerechte und zukunftssichere Lösungen für Ihre Anlage zu gewährleisten.

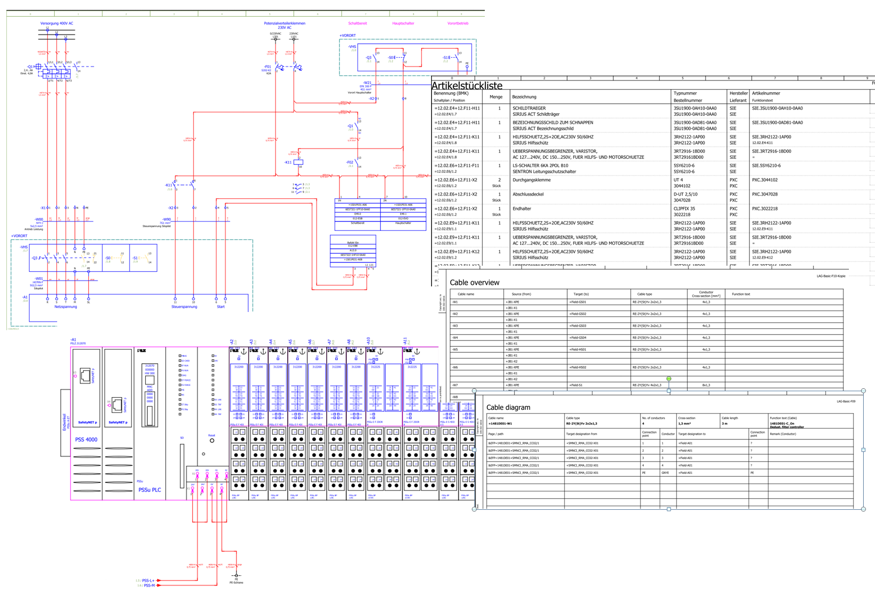
EPLAN Electric P8 – Unser Werkzeug für modernes Hardware Engineering
Wir erstellen auf Basis Ihrer Werksnormen und Vorgaben die Schalt- und Verkabelungspläne für Ihre Produktionsanlage. Mit der CAE-Software EPLAN Electric P8 erstellen wir nicht nur detaillierte Schaltpläne, sondern auch Stücklisten und Projektdokumentationen, die allen nachgelagerten Prozessen – Fertigung, Schaltschrankbau, Montage, Inbetriebnahme und Wartung – zur Verfügung stehen. Bei jeder Planung berücksichtigen wir Betriebssicherheit, Erweiterbarkeit, Wirtschaftlichkeit und Wartungsfreundlichkeit, um nachhaltige Synergien für Ihre Automatisierung zu schaffen.


Schaltschrankbau
Wir liefern Schaltschränke nach Ihren Wünschen und unserer Planung aus unseren Partnerwerkstätten oder mit Ihren bevorzugten Lieferanten Vorort, lokal und weltweit.
Sie erhalten somit auf Ihre Anforderungen zugeschnittene Komplettlösungen für Schaltschränke und Automatisierungssysteme, für die wir sowohl die Planung, Herstellung, den Aufbau und die Bearbeitung als auch die Verdrahtung, das Testen, die Inbetriebnahme und die Lieferung von Schaltschränken übernehmen.
Alles aus einer Hand, mit den Erfahrungen aus Ihrer Industrie, zu Ihrem Vorteil und Nutzen.
Automate today, innovate tomorrow, excel forever.

